Bromsnipplar för AN3 slang
Bygg din egen bromsslang
Det finns två olika bromsbyggare att välja på. En med vanliga förzinkade kopplingar och en med rostfria kopplingar. I varje guide så finns tre olika slangar att välja mellan samt ett antal bromsnipplar.De olika bromskopplingarna som finns att välja på i bromsslang byggaren visas här nedan. De är numrerade och har samma nummer som i bromsbyggaren.
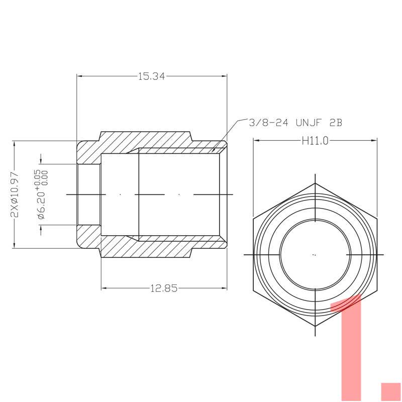
- 3/8" -24 hona rak (swivel)
- 3/8" -24 hona 45 grader (swivel)
- 3/8" -24 hona 90 grader (swivel)
- 3/8" -24 hane rak (swivel)
- 7/16" -20 hane rak (swivel)
- 7/16" -24 hane rak (swivel)
- 1/8" -27 NPT hane rak
- Banjo 10mm rak
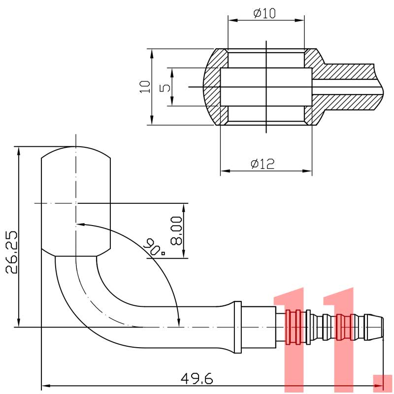
- Banjo 10mm 20 grader
- Banjo 10mm 45 grader
- Banjo 10mm 90 grader
- Banjo 12mm rak
- M10x1 hona rak (swivel)
- M10x1 hane rak (swivel)
- M10x1 hane rak
- M12x1 hona rak (swivel)
- M12x1 hane rak
1 ▼
3/8" -24 hona rak (swivel)
2 ▼
3/8" -24 hona 45 grader (swivel)
3 ▼
3/8" -24 hona 90 grader (swivel)
4 ▼
3/8" -24 hane rak (swivel)
5 ▼
7/16" -20 hane rak (swivel)
6 ▼
7/16" -24 hane rak (swivel)
7 ▼
1/8" -27 NPT hane rak
8 ▼
Banjo 10mm rak
9 ▼
Banjo 10mm 20 grader
10 ▼
Banjo 10mm 45 grader
11 ▼
Banjo 10mm 90 grader
12 ▼
Banjo 12mm rak
13 ▼
M10x1 hona rak (swivel)
14 ▼
M10x1 hane rak (swivel)
15 ▼
M10x1 hane rak
16 ▼
M12x1 hona rak (swivel)
17 ▼
M12x1 hane rak
▼
▼
-
Bromssystem
- Bromssystem: Delar och inkoppling
- Bromsvåg
- Bromscylinder: Välj rätt storlek & gänga på huvudbromscylinder
- Bromskoppling - Konvex eller konkav
- Bromsnipplar (Video)
- Bromsvätska: information
- Carbotech: Välja rätt bromsbelägg
- Hur du luftar bromsar och koppling.
- Installation fördelningsventil
- Kona bromsrör