-
Beskrivning
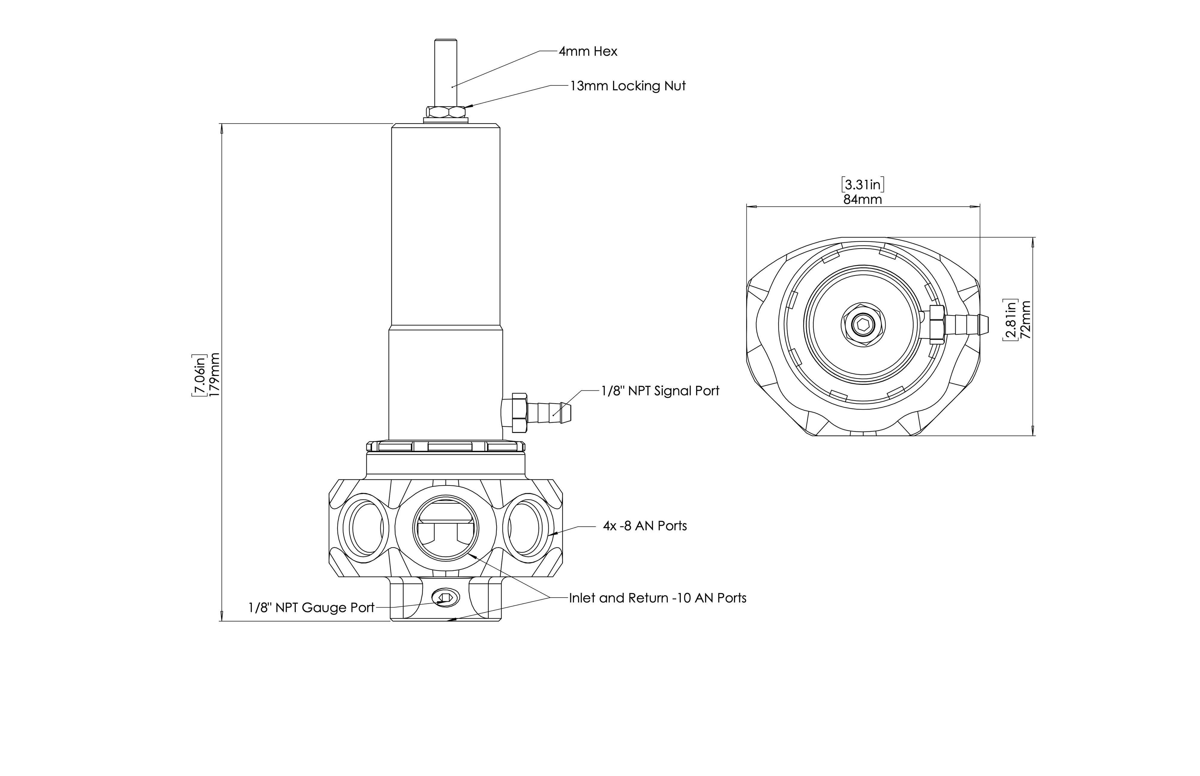
Turbosmart Bränsletrycksregulator AN10/AN8 M Pro Svart
Turbosmart FPR Pro 10-serien ger marknadsledande bränslekontroll och respons via äkta 1:1-förhållande och överlägsen flödes- och bypasskapacitet för fordon med -10 / 10AN bränslematning och -10 / 10AN returkopplingar. Med vårt ventilsäte i rostfritt stål och vårt Milspec-membran passar FPR10 Pro-serien alla bränsletyper, inklusive racing bränsle och aggressiva blybränslen.
Egenskaper
10AN Inlopp och retur
4 x 8AN bränslefördelning
Ventilsäte i rostfritt stål
Lämplig för alla bränsletyper
1:1 Klassledande förhållande och respons
Justerbart tryck
1/8 NPT trycksensorport
Unik design med låskrage
Milspec diafragma
50-100psi (mekanisk pump)
0-130psi (elektrisk pump) -
Fråga om produkt
Du får snabbast svar genom informationen i våra guider. Vi uppdaterar dem ständigt för att du skall få snabbast och bästa support.
-
Recensioner
Bli först med att recensera denna produkt!
Din recension:
För att skicka en recension måste du vara inloggad. -
Om tillverkaren
----------------
Guider & Info
