-
Beskrivning
Bygg din egen bromsslang med rostfria kopplingar
Här kan du enkelt själv bygga en egen stålomspunnen bromsslang / kopplingsslang / hydraulslang med rostfria kopplingar. Alla slangar pressas i maskiner på Speeding, dessa går inte att göra själv hemma. Vill du ha vanliga förzinkade kopplingar tryck här.
Gör så här:
- Mät noga hur din slang skall vara.
- Ange informationen i denna guide. (5 steg)
- Få hem en proffsigt maskinpressad slang efter dina egna mått.
----------------------
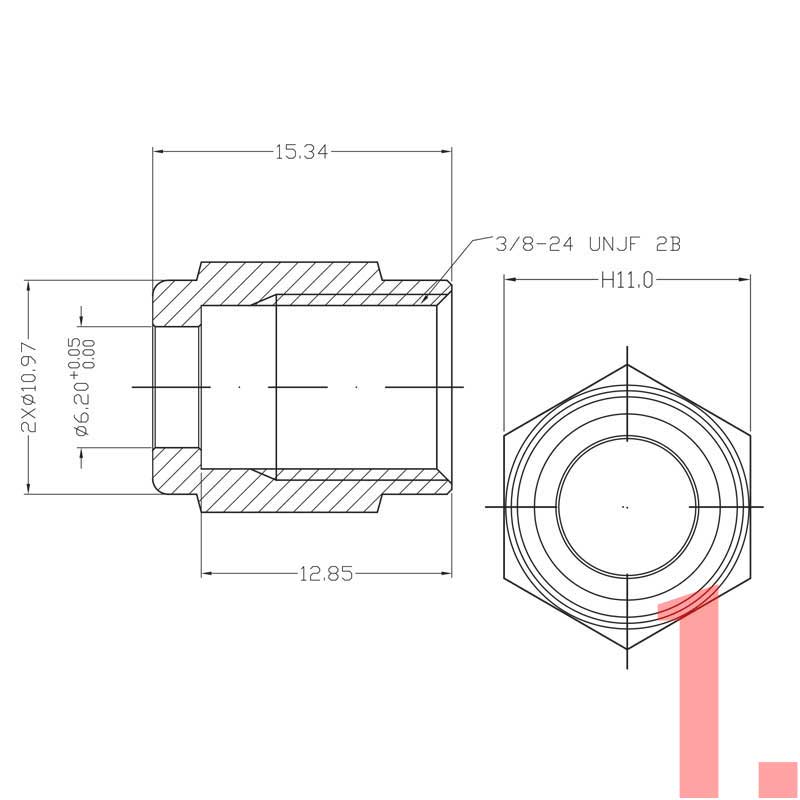
Steg 1 - (Koppling 1 / Koppling 2)
Välj vilka kopplingar du vill ha i ändarna på slangen. Bläddra bland bilderna för att se ritningar på varje koppling.
Svivel innebär att kopplingen kan snurra runt sin egen axel utan att tvinna slangen.Tryck här för att se video och mer information om kopplingar.

----------------------
Steg 2 - (Längd)
Ange den längd du vill ha, ange sedan den "typ av mått" längden avser.
----------------------
Steg 3 - (Typ av mått)

----------------------
Steg 4 - (Slangtyp)
Det finns tre olika bromsslangar att välja på.
- Stålomspunnen bromsslang med PTFE kärna.
- Stålomspunnen bromsslang med PTFE kärna + nylonfläta som överdrag.
- Stålomspunnen bromsslang med PTFE kärna + svart plastöverdrag.
Samtliga slangar klarar av bromsvätska i all evighet så det är inget som kommer att behöva bytas ut i framtiden. Slangarna fungerar även utmärkt att ha olja, glykol, bränsle och luft i. Dessa slangar är marknadslednande och klarar med marginal alla kända tester för stålflätad bromsslang i plast.

----------------------
Steg 5 - (Vridning kopplingar)
Ange om du vill ha kopplingarna vridna.
I exemplet nedan så är kopplingarna vridna 90 grader från varandra.

----------------------
Specifikationer:
Innerdiameter: 3,6 mm.
Arbetstryck: 275 bar
Sprängtryck vid: 827 bar
Arbetstemperatur: -70 till 250 graderDenna produkt tillverkas på beställning. Ej returrätt.
-
Fråga om produkt
Du får snabbast svar genom informationen i våra guider. Vi uppdaterar dem ständigt för att du skall få snabbast och bästa support.
-
Recensioner
Bra passform. fin och helt enl. önskemål
Fick bra hjälp av kundtjänst med att få fram rätt slangar till min bil.
Sjukt smidigt at kunna bygga sin egen slang på nätet! Snabb leverans dessutom!
Slutprodukten som kommer är väldigt fint gjord så priset är mycket bra.
Snabb leverans och bra pris för att vara tillverkade på beställning. Jag är kanonnöjd!
Mitt specialbygge krävde också specialanpassade bromsslangar. Man är lite osäker om man väljer rätt i denna guiden då man inte har bilder till men det fungerade perfekt som tur var =)
Jag beställde på en Måndag och fick paketet på Tisdag. Bra för att vara custom made !
Kanon att kunna bygga sin egna bromsslang efter byggets behov. Både snyggt och funktionellt!
Din recension:
För att skicka en recension måste du vara inloggad. -
Om tillverkaren

----------------
Guider & Info